内存缓存管理和系统调用¶
在上一章,我们已经知道,计算机不是直接执行文本文件,而是执行文本文件编译出的机器码。而新的问题接踵而至:计算机是如何存储和管理这些机器码的?计算机是如何从内存中取出指令和数据的?买电脑的时候发现内存的频率仅有几千MHz,而CPU的频率却高达几GHz,计算机是如何解决这个速度差异的?同时运行的计算机程序众多,如果都在内存中乱写,那么内存岂不是乱成一锅粥了?本章就来带领大家了解这些问题的答案。
内存怎么被管理?¶
刚刚我们提到,计算机的CPU从内存取指令和数据,执行指令,然后把结果再存回内存。但是现在的问题是:对于一些用户,我们可能会在后台挂着114514个进程,这些进程都需要使用内存。但是这些进程所占用的内存可能远远大于实际物理内存的大小。那么,计算机到底怎么管理内存,使得每个进程都能正常运行?
虚拟内存、页面、页表¶
计算机使用虚拟地址空间来管理内存。每个进程都有自己的虚拟地址空间,都认为自己是从0号地址开始用内存的。操作系统通过虚拟内存技术,将虚拟地址映射到物理地址。这样,每个进程都可以独立地使用内存,而不需要关心其他进程的内存使用情况。
打个比方:某高度智能运行的图书馆给每一本书贴一个标签,标签上写着书的编号;但是读者不需要管实际上书放在哪里,只需要知道自己的书编号就行了。
实际上,如果我们在编译一个多源文件的C程序的时候,允许中间文件的生成,就会发现每个源文件都会生成一个中间的汇编文件,这些汇编文件中的地址全都是虚拟地址,这个虚拟地址1是基于特定汇编文件的;也就是说,在链接这一步之前,每个汇编文件的地址都是从0开始的。链接器会把这些汇编文件链接成一个可执行文件,链接过程中会把这些虚拟地址重新映射成一个连续的地址空间,但该地址空间实际上依然是虚拟地址空间。最后,当我们运行这个可执行文件的时候,操作系统会把这个虚拟地址空间映射到物理内存中。
对普通应用程序开发者(相对于底层开发者或嵌入式开发者)而言,现代计算机编程中,我们把所有地址全都当成虚拟地址来使用。也就是说,C的裸指针指向的地址都是虚拟地址,操作系统会负责把它们映射到物理内存中。我们在编写程序的时候,不需要关心物理内存的地址,只需要使用虚拟地址就行了。
而这时,我们会发现虚拟内存还能达成一个意外之喜:虚拟内存的存在,实际上阻止了程序访问不属于它的内存区域。因为每个进程都有自己的虚拟地址空间,操作系统只需确保每个进程只能访问自己的虚拟地址空间,不能访问其他进程的虚拟地址空间。这样就能有效地保护每个进程的内存安全,防止恶意程序破坏系统的稳定性和安全性。这是现代操作系统比DOS等老式操作系统更安全的重要原因之一。
操作系统使用页表来管理虚拟地址和物理地址之间的映射关系。虚拟内存被划分成固定大小的页面(page),物理内存也被划分成同样大小的页面。每个虚拟页面可以映射到一个物理页面,或者不映射(表示该虚拟页面没有对应的物理页面)。操作系统通过页表来记录这些映射关系。当程序访问一个虚拟地址时,操作系统会查找该虚拟地址所在的页表项,找到对应的物理地址,然后进行访问。
页面是虚拟内存的基本单位,通常是4KB或8KB。页表是一个数据结构,用于记录虚拟地址和物理地址之间的映射关系。每个页表项包含了虚拟页面的状态信息,例如是否有效、是否被修改、是否被访问过等,以及对应的物理页面的地址。当程序访问一个虚拟地址时,操作系统会查找该虚拟地址所在的页表项,找到对应的物理地址,然后进行访问。
磁盘交换区和缺页异常¶
磁盘交换区用来解决物理内存不足的问题。当物理内存不足时,操作系统会将一些不常用的页面(page)从物理内存(快)中换出到磁盘上的交换区(swap space)(慢);而在需要访问这些页面时,操作系统会从磁盘交换区中加载相应的页面到物理内存中。这样就能让计算机在物理内存不足的情况下继续运行,而不会因为内存不足而崩溃。
在上述利用页表管理虚拟内存的过程中,如果程序访问了一个虚拟地址,但是该虚拟地址没有对应的物理地址,那么就会发生缺页异常(page fault)。操作系统会捕获这个异常,然后从磁盘上的交换区中加载相应的页面到物理内存中。如果磁盘交换区也没有该页面,那么操作系统就会终止该程序,并报告段错误(segmentation fault),这大概率是因为程序访问了一个非法的虚拟地址。所以说页表实际上就是操作系统“确保每个进程只能访问自己的虚拟地址空间”的重要工具。
如果在加载相应页面到物理内存中时,物理内存已经满了,那么操作系统就需要选择一个页面进行换出,以腾出空间来加载新的页面。操作系统通常会使用一些算法来选择要换出的页面,例如最近最少使用(LRU)算法、先进先出(FIFO)算法等。
内存分配器¶
内存分配器(memory allocator)是操作系统或运行时库提供的,用于管理进程的内存分配和释放。常见的内存分配器有 malloc、free 等函数。内存分配器会维护一张空闲内存块的列表,当进程请求分配内存时,分配器会从空闲列表中找到合适的内存块,并将其分配给进程。
假如我们在C系语言用了malloc函数分配了许多字节的内存,这时候操作系统不会直接分配物理内存,而是分配虚拟内存。操作系统会在页表中记录这个虚拟地址和物理地址的映射关系。而真正给物理页,是“用到才给”,多数情况下,当我们第一次访问这个虚拟地址时,操作系统会触发缺页异常,然后将对应的物理页加载到内存中;少数情况下(例如堆内存),操作系统会预先分配一些物理页而不是延迟到首次访问才分配。
这也可以解释为什么我malloc了10GB内存但是电脑依然流畅运行:还没真正分配呢。
一个例子¶
假如,我们打开了微信。这时候,操作系统给微信预留了1GB的虚拟地址空间;但是实际上只先分配很少数的物理内存来加载常用数据,剩下的全在磁盘交换区。然后,假设我们又切换到其他应用程序(例如去B站看视频),这时候B站会获得许多新的物理页,而微信的物理页会被换出去一部分。
现在老板给我发消息了,我打开微信,点击几下,这时操作系统触发一个缺页异常,然后微信数据又被拉回内存。如此反复,整个过程只在数十毫秒内完成,使得我们几乎感觉不到延迟。
因此以后谁再拿“某某手机/某某电脑真好,同时开十个APP也不卡”来宣传产品的时候,你可以跟他讲讲虚拟内存!
怎么压榨CPU的性能?¶
我们知道,CPU是计算机的核心部件,负责执行指令和处理数据,其做法是从内存中取指令和数据,执行指令,然后把结果再存回内存。但是,现在的计算机内存的速度已经远远跟不上CPU的速度了。我们怎么才能更进一步地压榨CPU的性能呢?
有时候在做超大矩阵乘法的时候,我们发现仅将循环从按列换成按行,或者从按行换成按列,就能将程序的运行速度提升许多。这又是为什么呢?这就涉及到了CPU的缓存机制。
缓存的分级¶
CPU的缓存(cache),又叫高速缓存,是一种小容量、高速度的存储器,用于存储经常使用的数据和指令。缓存通常分为三级:L1、L2和L3缓存。
- L1缓存:位于CPU内部,速度最快(1纳秒级),但容量最小,通常为32KB或64KB。
- L2缓存:位于CPU内部或外部,速度较快(3到5纳秒级),容量较大,通常为256KB或512KB。
- L3缓存:位于CPU外部2,速度较慢(10纳秒级),但容量最大,通常为2MB或更大。
再往后就轮到内存了,内存的速度大约是100纳秒级别。我们可以利用小卖部来理解,L1缓存有点像学校每层楼都有的贩卖机,L2有点像每栋楼都有的小超市,L3有点像学校的大超市,而内存有点像学校外面的供货仓库。
缓存行和局部性原理¶
缓存是以缓存行为单位进行存储的。缓存行(cache line)是缓存中最小的传输单位,通常为64字节,但CPU依然能够按字节寻址。当CPU访问内存时,如果访问的地址在某个缓存行内,那么这个缓存行就会被加载到缓存中。我们可以这么理解:当我们去贩卖机只会买一瓶饮料,但是贩卖机补货的时候是一补补一箱。只要把经常一起用的数据放在连续的一个缓存行上,就能一口气全带走,非常方便。
缓存的局部性原理是指程序在执行过程中,访问数据的地址往往具有一定的规律性。局部性分为时间局部性和空间局部性。时间局部性指的是最近访问的数据很可能会再次被访问;空间局部性指的是如果访问了某个地址,那么很可能会访问相邻的地址。
因此,我们在编写程序时,应该尽量利用局部性原理,将相关的数据放在一起,减少缓存未命中(cache miss)的情况。
组相联和标签¶
缓存通常采用组相联(set-associative)方式来存储数据。组相联缓存将缓存分为多个组,每个组包含多个缓存行。当CPU访问某个地址时,首先计算出该地址对应的组,然后在该组内查找是否有对应的缓存行(way)。如果有,就命中(hit),否则就未命中(miss),需要从内存中加载数据。
每一个缓存行都会贴两个标签,一个是tag记录该缓存行对应的内存地址的高位部分,另一个是valid位记录该缓存行是否有效。在CPU要读一个地址的时候,CPU会先计算出该地址对应的组,然后在该组内查找是否有有效的缓存行。如果有,就命中;如果没有,就未命中,需要从内存中加载数据。
未命中常见工作流程¶
当CPU访问的地址不在缓存中时,就会发生读不命中。这时,CPU需要从内存中加载数据到缓存中。加载数据的过程通常分为以下几个步骤:
- L1缓存没有,去L2缓存查找;L2缓存没有,去L3缓存查找;L3缓存没有,去内存查找。
- 如果找到了,就将数据加载到L1缓存中,并更新L1缓存的标签和有效位。
- 如果L1缓存满了,就需要选择一个缓存行进行替换。通常使用LRU(Least Recently Used)算法来选择最近最少使用的缓存行进行替换。L2和L3缓存也会进行类似的替换操作。
如果CPU试图往缓存中写入数据,而该缓存行已经被其他数据占用,那么就触发了写不命中。一般有一些策略来处理写不命中,例如写回(write-back)和直写(write-through)。写回策略是将数据先写入缓存,等到当缓存行被标记为“脏”时才写回时再写回内存;直写策略是直接将数据写入内存。写分配和不写分配是指在写不命中时,是否将数据加载到缓存中。写分配会将数据加载到缓存中,而不写分配则不会。
大矩阵乘法的工作原理¶
于是我们讲完了缓存,现在就可以来解释为什么有时候换个循环顺序就能提速一倍了。
一般情况下,一个二维数组,按行扫的时候,相邻的元素在内存连续,64个字节一口气全都搬进L1,命中率非常高;而按列扫的时候,相邻的元素在内存中并不连续,可能需要多次访问L2和L3缓存,命中率就会降低。
另一种方式就是手动对齐数据,例如利用结构体来对齐数据。这样可以防止诸如double等长数据类型被拆成好几个缓存行,手动对齐可以强制把这样的64位数据按进一个缓存行,速度至少翻倍。
简单地说,只要让常用数据挤在同一箱里,就能让小卖部永远有货。
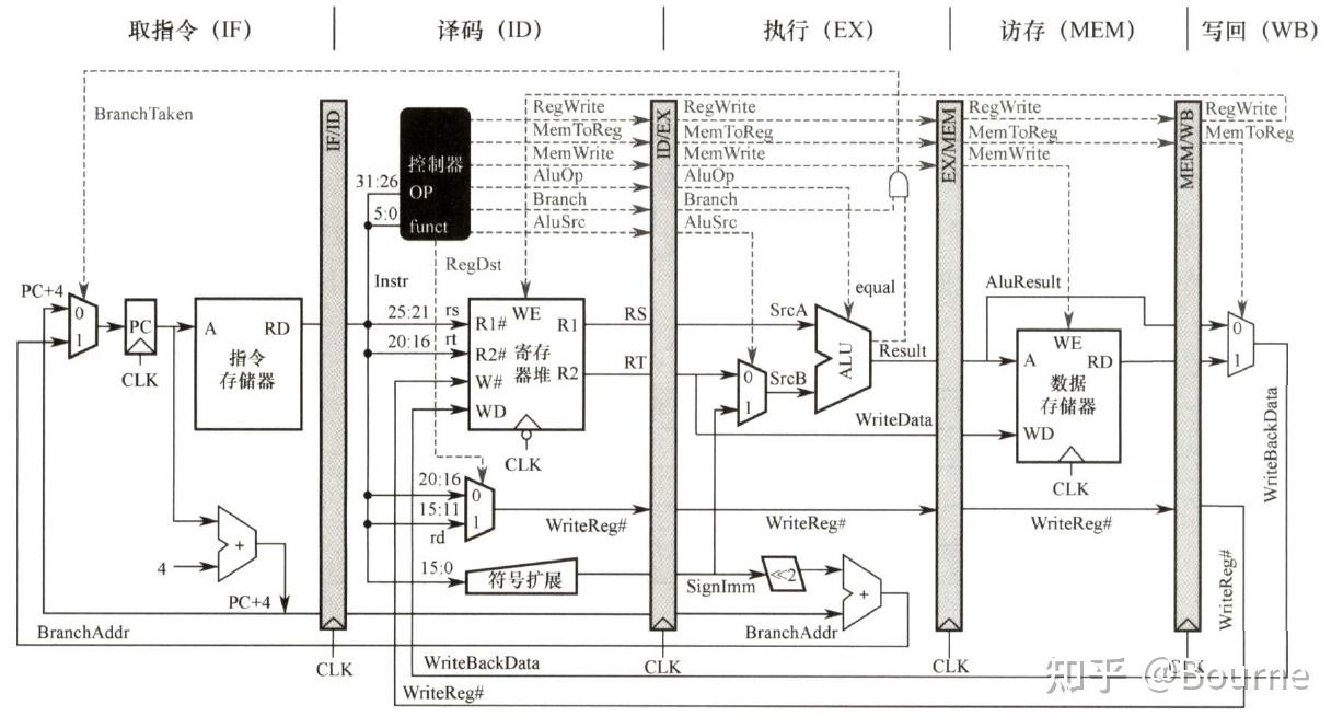
流水线¶
上述缓存机制虽然显著提升了CPU的性能,但是CPU依然有一个瓶颈:指令执行的速度远远跟不上CPU的时钟频率3。为了进一步提升CPU的性能,现代CPU采用了流水线(pipeline)技术。
这个流水线和工厂内的流水线非常类似。例如汽车组装工厂,现在并不是一辆车组装完了再组装下一辆车,而是把组装过程分成多个阶段,每个阶段由不同的工人负责。这样,当第一辆车进入第二个阶段时,第一辆车的第一个阶段已经完成,第二辆车可以进入第一个阶段进行组装。这样,工厂就能够同时组装多辆车,大大提高了生产效率。在CPU中,我们也是这样,把一个指令的执行过程分成:
- 取指(IF):根据 PC 把指令读进指令寄存器;
- 译码(ID):解析操作码、读寄存器堆拿到操作数;
- 执行(EX):在 ALU 或地址生成单元里完成运算;
- 访存(MEM):若是 load/store,访问数据缓存;
- 写回(WB):把结果写回寄存器堆并更新标志位。
然后和工厂中流水线一样,每一级都让独立的硬件单元完成。理想情况下,当上一条指令进入EX阶段时,下一条指令就跟着进入IF阶段,于是每个时钟周期都能完成一条指令的执行,大大提高了CPU的性能。

在实际情况下可能有三类“气泡”会让流水线停顿:
- 数据冒险:当后一条指令恰好用到了前一条指令尚未写回的结果时,就会发生数据冒险,一个容易想到的解决方法是插入气泡(stall),让流水线停顿一段时间,直到前一条指令的结果写回。另外的解决方法是数据转发(或数据前递,data forwarding),直接把前一条指令的结果旁路到后一条指令的EX级,避免停顿。
- 控制冒险:当遇到分支判断的时候,下一条指令的地址实际上是未知的。这时候也容易想到插入气泡来等待分支结果。为了防止这种情况,现代CPU通常会采用分支预测(branch prediction)技术,猜测下一条指令的地址,并提前加载到流水线中。如果猜测正确,就继续执行;如果猜测错误,就丢弃错误的指令,重新加载正确的指令,这样的代价是大约10到20个时钟周期的猜测惩罚。而怎么猜则是一个技术活,常见的方法有静态预测(例如总是猜测分支不跳转)和动态预测(例如利用历史信息来预测分支行为)。
- 结构冒险:当多个指令同时竞争同一个硬件资源时,就会发生结构冒险。例如,如果只有一个乘法器,而两条指令都需要使用乘法器,那么就会发生结构冒险。当然插入气泡也并非不可,而通过多端口寄存器堆、分离的指令和数据缓存等方法也可以缓解结构冒险的问题。
要是再往上提升性能,一般有三种手段:超标量(superscalar)、乱序执行(OoO)和超线程(SMT)。超标量指的是每一个周期同时发射多条指令到流水线中执行;乱序执行指的是指令不必严格按照程序顺序执行,而是可以根据数据依赖关系和资源可用性来动态调整执行顺序,只要操作数就绪了这条指令就可以抢跑,最后按指令序号重新提交结果;超线程指的是在流水线里面交替塞两条线程的指令,把闲置端口也利用起来。
以上操作对我们写代码有相当的启示:尽量保持分支可预测(有规律,少跳转),减少数据依赖(多用临时变量,少用全局变量),减少资源竞争(少用全局变量,少用锁),循环体小而整齐(减少指令数,增加指令并行度)。这样就能让流水线吃得饱饱的,性能自然就上去了。例如:
int cnt = 0;
for(int i = 0; i < n; i++)
if (a[i] > 128) // 这个是分支结构,且不可预测
++cnt
这个实践是不好的,因为数组模式随机,分支不可预测,数据依赖严重。改成下面这样就好多了:
int cnt = 0;
for(int i = 0; i < n; i++) {
int flag = (a[i] > 128); // 这个是运算,没有分支表达式
cnt += flag;
}
这样就消除了分支,数据依赖也减轻了许多,编译器大概会把上述内容编译成 setgt 和 add 指令,流水线就能更好地并行执行。
Tip
当然,根据“不优化”原则我们知道,实际操作中未必需要严格这么写,或者说仅在以下情况差异显著:
- 数据量巨大,例如n达到百万级别以上;
- 数据内容相当随机地分布,例如a[i]的值均匀分布在0到255之间;
- 编译器没有做激进优化,例如开的
-O0或者-O1; - 没有使用SIMD指令等技术,例如编译器没有自动向量化,或者没有手动使用AVX等指令集。
反之,当数据量小、大多数数据大于128(分支预测器能学习并预测)、编译器激进优化(“吸氧”甚至“吸臭氧”)、使用SIMD指令等技术时,差异就不明显了。
如希望验证我的上述说法,可以利用 perf 等工具进行性能分析,重点观察 branch-misses、instructions、cycles 等指标,-O2 和 -O0 的差异也可以对比一下。
现代CPU的架构¶
旧时代的CPU一般走的是单核高频路线,这也是非常容易想到的提升性能的方式:把一个核的频率提升到极限,然后让这个核尽可能地快地执行指令。这样做的好处是简单易行,缺点是功耗和发热量都非常高,且单核性能提升空间相当有限。这个路线撞墙的例子就是Intel的NetBurst架构(奔腾4),频率最高能达到3.8GHz,但是单核性能并没有显著提升,反而因为发热量过大而被迫降频。
于是,现代CPU性能渐渐地走向了多核化、并行化的路,性能不仅靠GHz撑着,并行度和专用加速也成为了重要的指标。当下主流芯片把多种计算单元拼成SoC,一般还有大小核之分(big.LITTLE架构),大核负责高性能计算,小核负责低功耗计算,二者协同工作以提升整体性能和能效比。
- 性能核(P-core):乱序、宽发射、高频率,跑串行关键路径;
- 能效核(E-core):顺序或窄发射,面积小、功耗低,跑后台线程;
- 矢量/矩阵单元:SSE/AVX/AVX-512、SVE、AMX,一条指令打 512 bit-2048 bit 的 SIMD,做 dense math;
- 集成 GPU Or NPU:上千线程级的 SIMT,负责图形与 AI 推理;
- 片上系统:DDR/LPDDR 控制器、PCIe 5.0、CXL、缓存一致性总线(Ring/Mesh),把 CPU、GPU、加速器、内存、外设粘在一起。
而缓存也从上文所述的经典缓存升级为支持网状多切片、非包容/非排他性、智能预取等特性的现代缓存系统,以适应多核、多线程、高并发的计算需求:
- 每个 P-core 独享 48 KB L1-I + 32 KB L1-D + 1-2 MB L2;
- 多核通过 Mesh 节点共享 24-96 MB L3,切片数等于核数,降低热点;
- 目录式(Directory)或总线嗅探(MESIF)协议保证多核一致性,跨核延迟 30-60 ns。
而对于我们开头的“超大矩阵乘法”这种还吃内存带宽的计算任务,现代CPU也有不少提升手段:
- AVX-512 / AMX:单指令可算 \(16\times 64\) 矩阵块,理论算力提升4到8倍;
- 高带宽内存:笔记本 LPDDR5X 已做到 120 GB/s,服务器 HBM3 突破 1 TB/s;
- 缓存阻塞(cache blocking):把超大矩阵切成 L2 能装下的子块(如 \(256 \times 256\)),再在内层用 SIMD 展开,就能把 100 ns 的内存访问变成 5 ns 的 L2 命中,轻松获得10倍数级提速。
所以说,现代的CPU并不是单核跑分的时代,而是多核、矢量、缓存墙协同作战。写程序的时候,只需要让计算靠近数据、并行匹配硬件宽度,就能真正的把晶体管一滴不剩地榨成有效算力。
系统怎么被调用?¶
有时候我们电脑死机了,或者程序崩溃了,终端报错“Segmentation Fault”(段错误)。这时候,操作系统到底做了什么?为什么会发生段错误?我们来分析一下“系统调用”就知道了。
段错误的发生原因,我们刚刚已经提过了:程序试图访问未分配的内存区域,或者试图修改只读内存区域。这是为了避免恶意程序对其余程序或操作系统造成破坏。但实际上,部分程序确实需要访问一些特殊的内存区域,例如访问硬件设备、操作系统内核等。为了解决这种问题,操作系统提供了系统调用(system call)来处理内存访问。
系统调用是一种特殊的函数调用,允许用户程序请求操作系统提供特权服务,例如文件操作、网络通信、进程管理等。
以Linux为例,一个系统调用往往包括系统调用号(放在RAX)、参数(放在RDI、RSI、RDX等寄存器,包括要干什么、干多少次、怎么干)、触发指令(syscall)和返回值(放在RAX)。当程序需要进行系统调用时,会使用 syscall 指令来触发系统调用。系统调用的种类很多,例如read、write、open、close等,每个系统调用都有一个唯一的系统调用号。
系统调用的处理流程¶
当程序触发系统调用时,CPU会将当前的执行状态保存到内核栈中,然后切换到内核态(kernel mode)。在内核态下,操作系统会根据系统调用号找到对应的系统调用处理函数,并执行相应的操作。处理完成后,操作系统会将结果返回给用户态(user mode),并恢复之前保存的执行状态。
以 printf("Hello") 为例,这个东西实际上是做了一次系统调用 write(1, buf, 5)。现在glibc把这玩意塞进寄存器触发syscall指令,然后CPU就切换到内核态。
之后,CPU在内核态办事:检查文件描述符1是否可写,发现可以写,就把Hello这5个字节写入到文件描述符1对应的设备(通常是终端)。
写完后,CPU会将结果(成功写入的字节数,在这里是5)放回RAX寄存器,然后切换回用户态。然后代码就会继续执行了。
系统调用的代价与实践尝试¶
系统调用虽然显著提升了系统的安全性,但是也带来了巨大的性能损失。因为每次系统调用都需要切换到内核态,这个过程需要保存和恢复CPU的状态,涉及到上下文切换(context switch),会消耗大量的时间,比普通函数调用慢不少,这还是现代CPU的优化结果。因此,系统调用的次数越少,程序的性能就越好。
在代码实践中,我们最简单的优化方式就是尽可能减少系统调用的次数,例如使用缓冲IO或批量读写等。